| Señal de salida | Señal CC lineal de 4-20 mA con temperatura dentro del rango |
| Precisión básica | Transmisor de temperatura de termopar±0,5%FS; Transmisor de temperatura de resistencia térmica ±0,2%FS; |
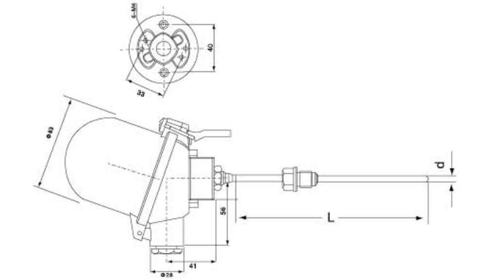
| Modo de transmisión | sistema de dos hilos |
| Fuente de alimentación de CC | 12-30 V CC. voltaje nominal 24 V CC |
| Impedancia de carga | Carga límite de resistencia de carga calculada; RL(máx.)=50(U-12) En la fórmula, el transmisor es un voltaje de alimentación de CC Tensión nominal inferior a 24 V: RL(máx.)=50(24-12)=600Ω |
| Entornos operativos normales | a.Temperatura ambiente: - 25℃~85℃ (requisito especial - 40℃~90℃ ) b. Humedad relativa: 5%-95% c.Vibración mecánica: 10-150HZ. A=0,15 mm d. Ningún medio provocó corrosión en el transmisor en el aire ambiente. |
| Interferencia electromagnética | Cuando funcione el transmisor de radio de 20-1000 MHz y 5 W a 0,5 metros del transmisor, deberá variar ± 0,15 %FS. |
| Desviación de temperatura | Cuando la temperatura ambiente varía en 1℃, el punto cero varía ±0,15 % FS y el rango de medición cambia ± 0,01 %FS |
Uso y cableado
1. Aviso al cableado: Tenga en cuenta que el elemento sensor de temperatura ha estado bien conectado y el rango de medición antes de salir de fábrica. Generalmente, no ajuste el potenciómetro de ajuste de rango, a menos que sea necesario.
2. Para la instalación de TC y RTD integrados, consulte otras instrucciones de operación para los mismos tipos de TC y RTD.
3. Los TC y RTD integrados están provistos de una salida de corriente de sistema de dos cables, por lo que solo se requerirán dos conductores de cobre.
Ejemplo de pedido
Indique el modelo،la marca de graduación, la longitud total y la profundidad insertada en orden, es decir(L×I)
Ejemplo 1:WRNKB-230 K 1150x1000
ES: Termopar enfundado integrado con sistema de dos cables, instalación de perno fijo, caja de conexión impermeable, diámetro exterior Φ16 mm, marca de graduación K, longitud total 1150, profundidad de inserción 1000 mm.
Ejemplo 2: WZPKB-336 Parte 100 L=1000
ES: Sistema de dos hilos integrado con resistencia térmica de platino enfundado, instalación de perno de férula móvil, caja de conexión impermeable, diámetro exterior, marca de graduación Parte 100, longitud total 1000 mm.
Termopar y resistencia térmica con transmisor de temperatura
| Modelooo | Marca de graduación | Rango de medición(℃) | Tubo de carcasa | ||
| Material | Tubo dia. | Spec. | |||
| SBWZPR-231 | Parte 100 | -50- 400 | 1Cr18Ni9Ti、316 | Φ6-12 | 300×150 400×250 450×300 500×350 |
| SBWRNR-231 | R | 0-1000 | 1Cr18NiSTi、GH2520、316 | Φ6-12 | |
| Modelooo | Marca de graduación | Rango de medición(℃) | Tubo de carcasa | ||
| Matenial | Tubo dia. | Spec. | |||
| SBWZPK2-231 | Parte 100 | -50- 400 | 1Cr18Ni9Ti、316 | Φ6-12 | 550×400 600×450 650×500 700×550 750×600 800×650 1000×850 1150×1000 1350×1200 |
| SBWRNR2-231 | R | 0-1000 | 1Cr18Ni9Ti、GH2520、316 | Φ6-12 | |
Tipo enchufable Hirschmann de pequeña resistencia térmica y termopar
| Modelooo | Marca de graduación | Rango de medición(℃) | Tubo de carcasa | ||
| Matenial | Tubo dia. | Spec. | |||
| SBWET-201 | Parte 100 | -50- 400 | 1Cr18Ni9Ti、316 | Φ4-12 | 50 100 150 200 300 400 500 |
| SBWET-200 | R | 0-800 | 1Cr18Ni9Ti、GH2520、316 | Φ4-12 | |
Como China Transmisor de temperatura integrado Proveedores y Transmisor de temperatura integrado Fábrica, Jiangsu Zhaolong Electrics Co., Ltd. es una empresa regional de alta tecnología y una base de producción de sensores de temperatura e instrumentos de control de temperatura. Hemos desarrollado y producido conjuntamente una serie de termopares (resistencias térmicas) y electrónicos de control de temperatura con numerosas instituciones de I+D y academias en Shanghái. Estos productos se venden en todo el país y el mundo, ofreciendo una ventaja en relación costo-rendimiento. Nuestros productos tienen una reputación reconocida en el mercado y ganan la confianza de los clientes debido a su excelente rendimiento, apariencia atractiva, alta confiabilidad, tecnología avanzada y buena relación costo-rendimiento.
Con un sólido equipo de desarrollo técnico y resultados patentados, podemos asumir proyectos para especificaciones normales y especiales, y podemos diseñar e instalar diversos gabinetes de control de temperatura automáticos, tanto grandes como pequeños, así como salas de control de temperatura y sistemas de monitoreo remoto de control de temperatura para los clientes.
La 7a Exposición Internacional de Tecnología y Equipos de Calefacción Eléctrica de Taizhou llegó a su fin perfecto. La exposición ganó mucho y muchos fabrica...
LEER MÁSEn el campo de las aplicaciones químicas, los transmisores de presión juegan un papel muy importante y se utilizan ampliamente. Existen muchos tipos de trans...
LEER MÁSLos consejos de seguridad para utilizar sensores de termopar incluyen una instalación adecuada para evitar daños, garantizar lecturas de temperatura precisas...
LEER MÁSEn muchas industrias, mantener niveles de presión precisos y consistentes es crucial para el funcionamiento seguro y eficiente de diversos sistemas y equipos...
LEER MÁSEstructura y principio: El sistema de manómetro de acero inoxidable (incluidas juntas, resortes, etc.), mecanismo de transmisión de engranajes, dispositiv...
LEER MÁS